Назад в каталог Заказать строительство
Дом с мансардой до 100м2
от2 000 000 ₽
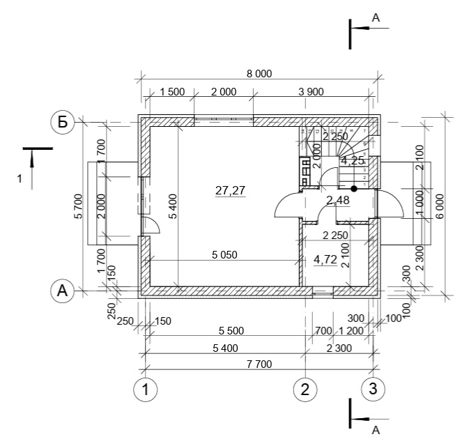
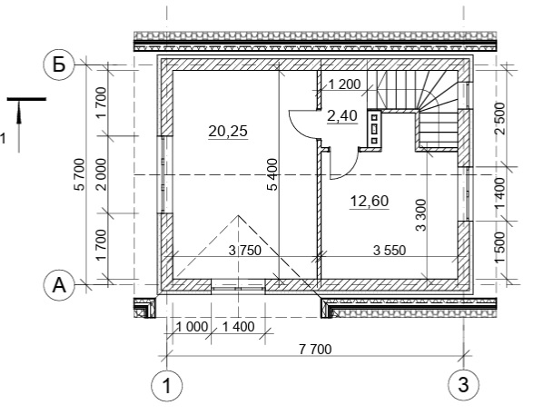
Завершили очередной этап возведения частного дома в Гурьевском районе. Этот проект площадью 96 кв.м. — идеальное сочетание компактности и функциональности для загородной жизни. Материал стен: Энергоэффективный газобетон (газосиликатный блок), обеспечивающий отличную теплоизоляцию. Кровля: Многоскатная крыша из качественной металлочерепицы антрацитового цвета. Текущая стадия: Возведение «коробки», монтаж стропильной системы и кровельного покрытия. Планируете заказать строительство дома в Калининграде? Мы предлагаем прозрачные сметы и строгое соблюдение СНиП. Данный проект может быть реализован как в «сером ключе», так и полностью под ключ.
Площадь
96 м²
Комнат
4
Этажей
2
Стены
Газосиликатный блок (300х200х600 мм)
Конструктив
ФундаментМонолитный железобетонный ленточный (бетон марки М250).
СтеныГазосиликатный блок (300х200х600 мм)
КровляКровля металлочерепица европейского качества
Что входит в проект
Фундамент Монолитный железобетонный ленточный (бетон марки М250)
Монолитная ЖБ плита (М250)
Наружные стены: Газосиликатный блок (300х200х600 мм)
Перемычки: Только монолитные решения над окнами и дверями для предотвращения трещин.
Дымоходы: Капитальная кладка из полнотелого керамического кирпича М200.
Перекрытия: классические деревянные балки (150х200 мм) или монолитное перекрытие
Кровля металлочерепица европейского качества
Инженерные вводы
